- Bộ cờ lê
- Bộ đầu vít
- Bộ đồ nghề tiêu chuẩn
- Bộ đục số, đục chữ
- Bộ lục giác
- Bộ nhân lực
- Bộ tuýp socket khẩu
- Búa làm đồng xe hơi
- Búa tạ – Búa kỹ thuật
- Bút vạch dấu
- Cần tự động, lắc tay
- Cảo cơ khí
- Cờ lê đóng
- Cờ lê đuôi chuột
- Cờ lê lực
- Cờ lê móc
- Cờ lê thông dụng
- Cờ lê tự động
- Cưa cầm tay
- Dao cạo bạc đạn, vòng bi
- Dao cắt ống
- Dao kỹ thuật
- Dụng cụ cách điện
- Dụng cụ cho ô tô
- Dụng cụ chống cháy nổ
- Dụng cụ khí nén
- Đầu mũi vít
- Đầu tuýp đen
- Đầu tuýp, socket, đầu khẩu
- Đèn pin
- Đục bằng, vuông, nhọn
- Đục gioăng đục lỗ
- Ê tô kẹp
- Giũa kỹ thuật
- Kéo cắt tôn, thép tấm
- Kìm bấm cos
- Kìm các loại
- Kìm cắt cáp
- Kìm cắt chân linh kiện
- Kìm cộng lực
- Kìm mở phe
- Mỏ lết
- Nhíp gắp linh kiện
- Ta rô bàn ren
- Thanh chữ T đầu nối dài
- Tủ dụng cụ đồ nghề
- Tua vít các loại
- Xà beng các loại
- Cưa cành cây
- Kéo tỉa cành
- Máy cắt cành
Đai ốc thủy lực Schaeffler HYDNUT-HEAVY
SKU: HYDNUT-HEAVYDùng lắp và tháo vòng bi cỡ lớn, trục côn hoặc ren, với lực ép tối đa 12.210 kN và áp suất 700 bar. Dải đường kính 100–900 mm, tích hợp vòng O-ring chỉ thị hành trình, kết hợp với bơm thủy lực Schaeffler, phù hợp ngành đường sắt, hàng hải và công nghiệp nặng.
Đai ốc thủy lực Schaeffler HYDNUT-HEAVY dùng để tạo lực ép dọc trục lớn khi lắp hoặc tháo vòng bi có lỗ côn, trục ren và các cụm ổ lăn TAROL. Thiết bị làm việc ở áp suất 700 bar, tạo lực ép tới 12.210 kN. Dải đường kính trong từ 100 mm đến 900 mm đáp ứng hầu hết ứng dụng trong ngành đường sắt, hàng hải và công nghiệp nặng.
![]() |
![]() |
Khi lắp đặt và tháo vòng bi cỡ lớn, việc tạo ra lực ép dọc trục lớn và chính xác là yêu cầu bắt buộc. Các phương pháp cơ khí thông thường như búa, ê tô hoặc vít me không thể đáp ứng được, đặc biệt với vòng bi côn có đường kính lớn hoặc các cụm trục nặng. Schaeffler phát triển dòng đai ốc thủy lực HYDNUT-HEAVY nhằm giải quyết triệt để vấn đề này.
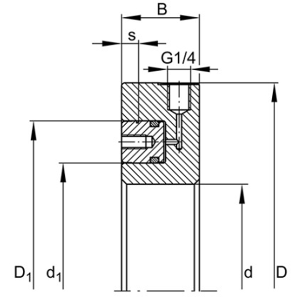
| Type | Art. no. | d | D | B | D1 | d1 | s | H (cm²) | Oil cap. (cm³) | Pressure max (bar) |
Force I (kN) | Weight (kg) |
|---|---|---|---|---|---|---|---|---|---|---|---|---|
| HYDNUT100-HEAVY | 7430100 | 100 | 225 | 46 | 180 | 125 | 10 | 132 | 145 | 700 | 920 | 11,3 |
| HYDNUT125-HEAVY | 7430125 | 125 | 245 | 46 | 200 | 150 | 10 | 137 | 151 | 600 | 820 | 12,4 |
| HYDNUT150-HEAVY | 7430150 | 150 | 270 | 46 | 226 | 180 | 10 | 147 | 161 | 600 | 880 | 14,1 |
| HYDNUT175-HEAVY | 7430175 | 175 | 305 | 47 | 250 | 205 | 11 | 161 | 193 | 600 | 960 | 17,8 |
| HYDNUT200-HEAVY | 7430200 | 200 | 330 | 48 | 280 | 230 | 12 | 200 | 260 | 600 | 1200 | 20,1 |
| HYDNUT225-HEAVY | 7430225 | 225 | 365 | 48 | 313 | 255 | 12 | 259 | 336 | 500 | 1290 | 24,0 |
| HYDNUT250-HEAVY | 7430250 | 250 | 390 | 48 | 345 | 280 | 12 | 319 | 415 | 500 | 1600 | 26,1 |
| HYDNUT275-HEAVY | 7430275 | 275 | 430 | 48 | 380 | 305 | 12 | 403 | 525 | 500 | 2020 | 31,8 |
| HYDNUT300-HEAVY | 7430300 | 300 | 470 | 54 | 410 | 335 | 12 | 439 | 614 | 500 | 2190 | 42,9 |
| HYDNUT325-HEAVY | 7430325 | 325 | 500 | 54 | 440 | 360 | 13 | 503 | 704 | 500 | 2510 | 47,3 |
| HYDNUT350-HEAVY | 7430350 | 350 | 540 | 54 | 475 | 385 | 13 | 608 | 851 | 500 | 3040 | 55,4 |
| HYDNUT375-HEAVY | 7430375 | 375 | 575 | 54 | 510 | 410 | 13 | 723 | 1012 | 500 | 3610 | 62,2 |
| HYDNUT400-HEAVY | 7430400 | 400 | 620 | 56 | 545 | 440 | 15 | 812 | 1300 | 500 | 4060 | 76,2 |
| HYDNUT425-HEAVY | 7430425 | 425 | 650 | 56 | 575 | 465 | 15 | 898 | 1438 | 400 | 3590 | 82,1 |
| HYDNUT450-HEAVY | 7430450 | 450 | 690 | 63 | 610 | 490 | 17 | 1037 | 1866 | 400 | 4150 | 104,5 |
| HYDNUT475-HEAVY | 7430475 | 475 | 725 | 63 | 642 | 515 | 17 | 1154 | 2077 | 400 | 4620 | 114,6 |
| HYDNUT500-HEAVY | 7430500 | 500 | 760 | 66 | 675 | 540 | 20 | 1288 | 2705 | 400 | 5150 | 131,1 |
Đai ốc thủy lực HYDNUT-HEAVY được thiết kế để ép vòng bi lên trục côn hoặc ren, cũng như tháo chúng ra khỏi trục, adapter sleeve hoặc withdrawal sleeve. Lực ép dọc trục cực lớn, từ 920 kN đến 12.210 kN, đủ cho cả các cụm vòng bi lớn trong công nghiệp nặng.
Đai ốc thủy lực Schaeffler HYDNUT-HEAVY
Ứng dụng tháo lắp như chân vịt tàu thủy, trục bánh lái, khớp nối trục hoặc bánh răng lớn. Với đường kính trong từ 100 mm đến 900 mm, HYDNUT-HEAVY bao phủ hầu hết nhu cầu trong bảo trì và lắp đặt máy móc quy mô lớn.
- Lực ép cực lớn: tạo lực ép dọc trục tối đa 12.210 kN, đáp ứng cả vòng bi cỡ siêu lớn.
- Dải đường kính rộng: từ 100 mm đến 900 mm, thích hợp với nhiều loại trục và vòng bi.
- Thiết kế không ren: dễ sử dụng, phù hợp với các bộ adapter sleeve và withdrawal sleeve.
- Độ an toàn cao: có vòng O-ring màu đỏ chỉ thị hành trình piston, giúp theo dõi quá trình ép.
- Kết hợp phụ kiện: có thể lắp đồng hồ đo analog hoặc digital để kiểm soát khe hở nổi khi ép vòng bi.
- Độ tin cậy: làm việc ở áp suất tới 700 bar, dùng chung với các bộ bơm thủy lực Schaeffler HYDNUT.
Thông số kỹ thuật của đai ốc thủy lực
- Đường kính trong: 100 – 900 mm
- Lực ép dọc trục: 920 – 12.210 kN
- Áp suất làm việc tối đa: 700 bar
- Hành trình piston: hiển thị qua vòng O-ring đỏ
- Loại: không ren, dễ tháo lắp
- Phụ kiện: đồng hồ đo digital (Art. No. 74999920) và analog (Art. No. 74999103) tùy chọn
Ứng dụng của đai ốc thủy lực
- Ngành hàng hải: lắp và tháo chân vịt, bánh lái, trục truyền động tàu thủy.
- Ngành đường sắt: lắp vòng bi lớn trên trục bánh xe toa tàu.
- Công nghiệp nặng: ép bánh răng, khớp nối trục, cánh quạt, rotor.
- Bảo trì và lắp đặt máy móc: sử dụng khi cần lực ép dọc trục lớn mà vẫn đảm bảo an toàn và độ chính xác.
| Type | Art. no. | d | D | B | D1 | d1 | s | H (cm²) | Oil cap. (cm³) | P.max. (bar) | Force (kN) | Weight (kg) |
|---|---|---|---|---|---|---|---|---|---|---|---|---|
| HYDNUT525-HEAVY | 7430525 | 525 | 800 | 66 | 710 | 565 | 20 | 1452 | 3049 | 400 | 5810 | 145,9 |
| HYDNUT550-HEAVY | 7430550 | 550 | 835 | 68 | 742 | 590 | 20 | 1590 | 3657 | 400 | 6360 | 162,8 |
| HYDNUT575-HEAVY | 7430575 | 575 | 870 | 68 | 775 | 615 | 22 | 1747 | 4018 | 400 | 6990 | 175,8 |
| HYDNUT600-HEAVY | 7430600 | 600 | 910 | 76 | 808 | 645 | 25 | 1860 | 4836 | 400 | 7440 | 215,8 |
| HYDNUT625-HEAVY | 7430625 | 625 | 945 | 76 | 840 | 670 | 25 | 2016 | 5242 | 400 | 8060 | 231,6 |
| HYDNUT650-HEAVY | 7430650 | 650 | 980 | 84 | 875 | 695 | 28 | 2220 | 6437 | 300 | 6660 | 274,0 |
| HYDNUT675-HEAVY | 7430675 | 675 | 1020 | 84 | 906 | 720 | 28 | 2375 | 6889 | 300 | 7130 | 297,9 |
| HYDNUT700-HEAVY | 7430700 | 700 | 1060 | 88 | 940 | 750 | 30 | 2522 | 7818 | 300 | 7570 | 330,5 |
| HYDNUT750-HEAVY | 7430750 | 750 | 1130 | 88 | 1007 | 800 | 32 | 2938 | 9695 | 300 | 8810 | 381,3 |
| HYDNUT800-HEAVY | 7430800 | 800 | 1205 | 92 | 1070 | 855 | 35 | 3251 | 11702 | 300 | 9750 | 453,1 |
| HYDNUT850-HEAVY | 7430850 | 850 | 1275 | 95 | 1135 | 905 | 38 | 3685 | 14372 | 300 | 11060 | 520,3 |
| HYDNUT900-HEAVY | 7430900 | 900 | 1350 | 97 | 1200 | 960 | 40 | 4072 | 16693 | 300 | 12210 | 595,6 |
Đai ốc thủy lực Schaeffler HYDNUT-HEAVY là giải pháp tối ưu cho việc lắp và tháo vòng bi cỡ lớn trong các ngành công nghiệp nặng. Với khả năng tạo lực ép hàng chục nghìn kN, dải đường kính rộng đến 900 mm và độ an toàn cao, thiết bị này giúp rút ngắn thời gian bảo trì, giảm thiểu rủi ro và kéo dài tuổi thọ vòng bi cũng như hệ thống truyền động.
Bản rút gọn
| Type | Art. no. | d | Force I (kN) | Weight (kg) | Type | Art. no. | d | Force I (kN) | Weight (kg) |
|---|---|---|---|---|---|---|---|---|---|
| 100 | 7430100 | 100 | 920 | 11,3 | 475 | 7430475 | 475 | 4620 | 114,6 |
| 125 | 7430125 | 125 | 820 | 12,4 | 500 | 7430500 | 500 | 5150 | 131,1 |
| 150 | 7430150 | 150 | 880 | 14,1 | 525 | 7430525 | 525 | 5810 | 145,9 |
| 175 | 7430175 | 175 | 960 | 17,8 | 550 | 7430550 | 550 | 6360 | 162,8 |
| 200 | 7430200 | 200 | 1200 | 20,1 | 575 | 7430575 | 575 | 6990 | 175,8 |
| 225 | 7430225 | 225 | 1290 | 24,0 | 600 | 7430600 | 600 | 7440 | 215,8 |
| 250 | 7430250 | 250 | 1600 | 26,1 | 625 | 7430625 | 625 | 8060 | 231,6 |
| 275 | 7430275 | 275 | 2020 | 31,8 | 650 | 7430650 | 650 | 6660 | 274,0 |
| 300 | 7430300 | 300 | 2190 | 42,9 | 675 | 7430675 | 675 | 7130 | 297,9 |
| 325 | 7430325 | 325 | 2510 | 47,3 | 700 | 7430700 | 700 | 7570 | 330,5 |
| 350 | 7430350 | 350 | 3040 | 55,4 | 750 | 7430750 | 750 | 8810 | 381,3 |
| 375 | 7430375 | 375 | 3610 | 62,2 | 800 | 7430800 | 800 | 9750 | 453,1 |
| 400 | 7430400 | 400 | 4060 | 76,2 | 850 | 7430850 | 850 | 11060 | 520,3 |
| 425 | 7430425 | 425 | 3590 | 82,1 | 900 | 7430900 | 900 | 12210 | 595,6 |
| 450 | 7430450 | 450 | 4150 | 104,5 |
| Mã sp | Mua | Đk trong | Đk ngoài | Độ dày | Áp suất làm việc |
|---|---|---|---|---|---|
| 7430100 | 100mm | 225mm | 46mm | 700 bar | |
| 7430125 | 125mm | 245mm | 46mm | 600 bar | |
| 7430150 | 150mm | 270mm | 46mm | 600 bar | |
| 7430175 | 175mm | 305mm | 47mm | 600 bar | |
| 7430200 | 200mm | 330mm | 48mm | 600 bar | |
| 7430225 | 225mm | 365mm | 48mm | 500 bar | |
| 7430250 | 250mm | 390mm | 48mm | 500 bar | |
| 7430275 | 275mm | 430mm | 48mm | 500 bar | |
| 7430300 | 300mm | 470mm | 54mm | 500 bar | |
| 7430325 | 325mm | 500mm | 54mm | 500 bar | |
| 7430350 | 350mm | 540mm | 54mm | 500 bar | |
| 7430375 | 375mm | 575mm | 54mm | 500 bar | |
| 7430400 | 400mm | 620mm | 56mm | 500 bar | |
| 7430425 | 425mm | 650mm | 56mm | 400 bar | |
| 7430450 | 450mm | 690mm | 63mm | 400 bar | |
| 7430475 | 475mm | 725mm | 63mm | 400 bar | |
| 7430500 | 500mm | 760mm | 66mm | 400 bar | |
| 7430525 | 525mm | 800mm | 66mm | 400 bar | |
| 7430550 | 550mm | 835mm | 68mm | 400 bar | |
| 7430575 | 575mm | 870mm | 68mm | 400 bar | |
| 7430600 | 600mm | 910mm | 76mm | 400 bar | |
| 7430625 | 625mm | 945mm | 76mm | 400 bar | |
| 7430650 | 650mm | 980mm | 84mm | 300 bar | |
| 7430675 | 675mm | 1020mm | 84mm | 300 bar | |
| 7430700 | 700mm | 1060mm | 86mm | 300 bar | |
| 7430750 | 750mm | 1130mm | 88mm | 300 bar | |
| 7430800 | 800mm | 1205mm | 92mm | 300 bar | |
| 7430850 | 850mm | 1275mm | 95mm | 300 bar | |
| 7430900 | 900mm | 1350mm | 97mm | 300 bar |
- Chờ nhập 4-8 tuần













