- Bộ cờ lê
- Bộ đầu vít
- Bộ đồ nghề tiêu chuẩn
- Bộ đục số, đục chữ
- Bộ lục giác
- Bộ nhân lực
- Bộ tuýp socket khẩu
- Búa làm đồng xe hơi
- Búa tạ – Búa kỹ thuật
- Bút vạch dấu
- Cần tự động, lắc tay
- Cảo cơ khí
- Cờ lê đóng
- Cờ lê đuôi chuột
- Cờ lê lực
- Cờ lê móc
- Cờ lê thông dụng
- Cờ lê tự động
- Cưa cầm tay
- Dao cạo bạc đạn, vòng bi
- Dao cắt ống
- Dao kỹ thuật
- Dụng cụ cách điện
- Dụng cụ cho ô tô
- Dụng cụ chống cháy nổ
- Dụng cụ khí nén
- Đầu mũi vít
- Đầu tuýp đen
- Đầu tuýp, socket, đầu khẩu
- Đèn pin
- Đục bằng, vuông, nhọn
- Đục gioăng đục lỗ
- Ê tô kẹp
- Giũa kỹ thuật
- Kéo cắt tôn, thép tấm
- Kìm bấm cos
- Kìm các loại
- Kìm cắt cáp
- Kìm cắt chân linh kiện
- Kìm cộng lực
- Kìm mở phe
- Mỏ lết
- Nhíp gắp linh kiện
- Ta rô bàn ren
- Thanh chữ T đầu nối dài
- Tủ dụng cụ đồ nghề
- Tua vít các loại
- Xà beng các loại
- Cưa cành cây
- Kéo tỉa cành
- Máy cắt cành
Đai ốc thủy lực Schaeffler HYDNUT-E-INCH, ren hệ inch
Cho phép đặt hàng trước
Dành cho vòng bi trên trục ren UN hoặc ACME, dải 49,9–950,2 mm (1,9–37,4 inch). Lực ép tối đa 3957 kN, áp suất 700 bar. Có vòng O-ring chỉ thị hành trình và thông số khắc trên thân, thích hợp cho công nghiệp nặng và hàng hải.
68.000.000₫-874.185.000₫
Mô tả
Đai ốc thủy lực Schaeffler HYDNUT-E-INCH dùng để lắp và tháo vòng bi trên trục có ren hệ inch (UN hoặc ACME). Đai ốc tạo lực ép dọc trục lớn, giúp ép hoặc tháo vòng bi, khớp nối, bánh răng và các cụm trục công nghiệp nặng.
![]() |
![]() |
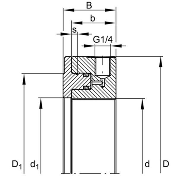
HYDNUT-E-INCH có dải đường kính trong 49,9–950,2 mm (1,9–37,4 inch). Tạo lực ép tối đa 3957 kN ở áp suất vận hành 700 bar. Các loại từ UN320 trở lên sử dụng ren hình thang (Tr), mở rộng đường kính ren đến 950 mm.
Tất cả các đai ốc HYDNUT-E-INCH đều có vòng O-ring chỉ thị hành trình piston. Thông số kỹ thuật quan trọng như áp suất tối đa và bước ren được khắc trực tiếp trên thân đai ốc, giúp kiểm soát chính xác khi lắp đặt.
Lưu ý về áp suất làm việc
Khi sử dụng đai ốc thủy lực Schaeffler, không nên mặc định tất cả đều làm việc ở 700 bar. Mỗi mã đai ốc có giới hạn áp suất khác nhau, được khắc trực tiếp trên thân ngoài và thể hiện rõ trong bảng thông số. Kích thước đai ốc càng lớn, diện tích piston càng rộng thì áp suất danh định thường được giảm xuống (từ 700 bar về 500, 400 hoặc 300 bar) để duy trì lực ép trong giới hạn an toàn.
Người dùng cần đọc đúng chỉ số áp suất tối đa của từng mã trước khi kết nối bơm thủy lực. Vượt quá giới hạn này có thể gây hư hỏng ren, biến dạng piston hoặc rò rỉ dầu, ảnh hưởng đến an toàn khi tháo lắp vòng bi và cụm trục.
Đai ốc thủy lực Schaeffler HYDNUT-E-INCH
Schaeffler cũng cung cấp đồng hồ đo hành trình dạng điện tử (Art. No. 7499920) và cơ khí (Art. No. 7499910) để đo khe hở nổi của vòng bi trong quá trình bảo trì.
- Dải đường kính trong: 49,9–950,2 mm / 1,9–37,4 inch
- Lực ép tối đa: 3957 kN
- Áp suất vận hành: 700 bar
- Ren: UN hoặc ACME (chuyển sang Tr ren sau UN320)
- Có vòng O-ring chỉ thị hành trình
- Khắc thông số áp suất và ren trên thân ngoài
- Lắp tháo vòng bi cỡ nhỏ đến lớn trên trục ren inch
- Sử dụng cho trục côn, ống lót adapter, ống lót tháo
- Phù hợp cho hàng hải, công nghiệp nặng, truyền động trục lớn, tàu thủy và đường sắt
So sánh Schaeffler HYDNUT
- HYDNUT-HEAVY: chuyên dùng cho tải rất lớn, Ø100–900 mm, lực ép cao nhất (12.210 kN).
- HYDNUT-E: dùng cho ren hệ mét và hình thang, dải ứng dụng rộng nhất (tới Ø1180 mm).
- HYDNUT-E-INCH: chuyên cho thị trường dùng ren inch (UN/ACME), lực ép thấp hơn, Ø49,9–950,2 mm.
| Đặc điểm | HYDNUT-HEAVY | HYDNUT-E | HYDNUT-E-INCH |
|---|---|---|---|
| Loại ren | Trơn (không ren), lắp bằng tay trên trục côn hoặc ống lót | Ren hệ mét (M50–M200) và hình thang Tr205–Tr1180 | Ren hệ inch (UN/ACME), từ UN50 đến UN320, sau đó chuyển sang Tr |
| Dải đường kính | 100 – 900 mm | M50 – M200 / Tr205 – Tr1180 (tới Ø1180 mm) | 49,9 – 950,2 mm (1,9 – 37,4 inch) |
| Lực ép tối đa | 920 – 12.210 kN | 214 – 8.050 kN | 214 – 3.957 kN |
| Ứng dụng chính | Vòng bi cỡ lớn, trục tàu thủy, tua-bin, khớp nối công nghiệp nặng | Vòng bi và trục ren hệ mét / hình thang, công nghiệp nặng, đường sắt, đóng tàu | Vòng bi trục ren inch (UN/ACME), ứng dụng ở Mỹ, Canada, thị trường dùng hệ inch |
| Đặc điểm nổi bật | Không ren, dùng linh hoạt trên nhiều loại trục côn/ống lót | Hỗ trợ cả ren mét và ren Tr, dải rộng nhất đến Ø1180 mm | Chuyên cho ren inch, chuyển sang Tr ở kích cỡ lớn hơn |
| Phụ kiện hỗ trợ | Đồng hồ đo hành trình, bơm thủy lực Schaeffler | Đồng hồ đo hành trình điện tử/cơ khí, bơm thủy lực Schaeffler | Đồng hồ đo hành trình điện tử/cơ khí, bơm thủy lực Schaeffler |
Bảng giá & Đặt hàng
| Mã SKU | Giá (VNĐ) | Đk ngoài | Độ dày | Áp suất làm việc | Kho | Mua |
|---|---|---|---|---|---|---|
7420050 ![]() |
68.000.000₫ | 110mm | 40mm | 700 bar | - | 🛒 |
7420055 ![]() |
69.302.000₫ | 118mm | 40mm | 700 bar | - | 🛒 |
7420060 ![]() |
71.650.000₫ | 125mm | 40mm | 700 bar | - | 🛒 |
7420065 ![]() |
71.760.000₫ | 132mm | 40mm | 700 bar | - | 🛒 |
7420070 ![]() |
71.890.000₫ | 140mm | 40mm | 700 bar | - | 🛒 |
7420075 ![]() |
71.890.000₫ | 145mm | 40mm | 700 bar | - | 🛒 |
7420080 ![]() |
72.860.000₫ | 150mm | 40mm | 700 bar | - | 🛒 |
7420085 ![]() |
73.700.000₫ | 155mm | 40mm | 700 bar | - | 🛒 |
7420090 ![]() |
73.690.000₫ | 160mm | 41mm | 700 bar | - | 🛒 |
7420095 ![]() |
73.991.000₫ | 165mm | 41mm | 700 bar | - | 🛒 |
7420100 ![]() |
74.373.000₫ | 170mm | 41mm | 700 bar | - | 🛒 |
7420105 ![]() |
80.530.000₫ | 175mm | 43mm | 600 bar | - | 🛒 |
7420110 ![]() |
80.903.000₫ | 180mm | 43mm | 600 bar | - | 🛒 |
7420120 ![]() |
81.535.000₫ | 190mm | 43mm | 600 bar | - | 🛒 |
7420130 ![]() |
87.223.000₫ | 200mm | 44mm | 600 bar | - | 🛒 |
7420140 ![]() |
91.204.000₫ | 210mm | 44mm | 600 bar | - | 🛒 |
7420150 ![]() |
91.950.000₫ | 220mm | 44mm | 600 bar | - | 🛒 |
7420160 ![]() |
95.150.000₫ | 235mm | 47mm | 600 bar | - | 🛒 |
7420170 ![]() |
95.977.000₫ | 245mm | 47mm | 600 bar | - | 🛒 |
7420180 ![]() |
98.160.000₫ | 255mm | 47mm | 600 bar | - | 🛒 |
7420190 ![]() |
105.850.000₫ | 270mm | 50mm | 600 bar | - | 🛒 |
7420200 ![]() |
106.310.000₫ | 280mm | 50mm | 600 bar | - | 🛒 |
7420220 ![]() |
113.520.000₫ | 305mm | 52mm | 500 bar | - | 🛒 |
7420240 ![]() |
123.704.000₫ | 330mm | 53mm | 500 bar | - | 🛒 |
7420260 ![]() |
142.150.000₫ | 355mm | 55mm | 500 bar | - | 🛒 |
7420280 ![]() |
144.190.000₫ | 380mm | 56mm | 500 bar | - | 🛒 |
7420300 ![]() |
162.300.000₫ | 405mm | 62mm | 500 bar | - | 🛒 |
7420320 ![]() |
170.300.000₫ | 430mm | 63mm | 500 bar | - | 🛒 |
7420340 ![]() |
172.672.000₫ | 450mm | 64mm | 500 bar | - | 🛒 |
7420360 ![]() |
191.920.000₫ | 475mm | 65mm | 500 bar | - | 🛒 |
7420380 ![]() |
204.052.000₫ | 500mm | 66mm | 500 bar | - | 🛒 |
7420400 ![]() |
248.713.000₫ | 525mm | 69mm | 500 bar | - | 🛒 |
7420420 ![]() |
272.450.000₫ | 545mm | 70mm | 400 bar | - | 🛒 |
7420440 ![]() |
276.870.000₫ | 565mm | 75mm | 400 bar | - | 🛒 |
7420460 ![]() |
306.290.000₫ | 590mm | 77mm | 400 bar | - | 🛒 |
7420480 ![]() |
306.290.000₫ | 612mm | 79mm | 400 bar | - | 🛒 |
7420500 ![]() |
306.290.000₫ | 635mm | 81mm | 400 bar | - | 🛒 |
7420530 ![]() |
360.880.000₫ | 670mm | 81mm | 400 bar | - | 🛒 |
7420560 ![]() |
399.295.000₫ | 705mm | 87mm | 400 bar | - | 🛒 |
7420600 ![]() |
399.295.000₫ | 750mm | 89mm | 400 bar | - | 🛒 |
7420630 ![]() |
451.760.000₫ | 780mm | 89mm | 400 bar | - | 🛒 |
7420670 ![]() |
411.640.000₫ | 825mm | 90mm | 300 bar | - | 🛒 |
7420710 ![]() |
411.640.000₫ | 870mm | 97mm | 300 bar | - | 🛒 |
7420750 ![]() |
428.870.000₫ | 922mm | 100mm | 300 bar | - | 🛒 |
7420800 ![]() |
461.307.000₫ | 970mm | 101mm | 300 bar | - | 🛒 |
7420850 ![]() |
507.390.000₫ | 1020mm | 101mm | 300 bar | - | 🛒 |
7420900 ![]() |
561.995.000₫ | 1070mm | 102mm | 300 bar | - | 🛒 |
7420950 ![]() |
874.185.000₫ | 1125mm | 103mm | 300 bar | - | 🛒 |
Reviews
Based on 0 reviews
Be the first to review “Đai ốc thủy lực Schaeffler HYDNUT-E-INCH, ren hệ inch” Hủy
Có thể bạn thích…
-
Cắt đai ốc
Đai ốc thủy lực Schaeffler HYDNUT-E, ren hình thang
Dùng lắp tháo vòng bi trên trục côn, trục ren và ống lót. Dải ren từ M50–M200 và Tr205–Tr1180. Lực ép tối đa 8050 kN, áp suất 700 bar. Có vòng O-ring chỉ thị hành trình và thông số khắc trên vòng ngoài, dễ nhận diện và kiểm soát an toàn.
SKU: HYDNUT-E☆☆☆☆☆Đã bán: 0Hết hàng -
Cắt đai ốc
Đai ốc thủy lực Schaeffler HYDNUT-HEAVY
Dùng lắp và tháo vòng bi cỡ lớn, trục côn hoặc ren, với lực ép tối đa 12.210 kN và áp suất 700 bar. Dải đường kính 100–900 mm, tích hợp vòng O-ring chỉ thị hành trình, kết hợp với bơm thủy lực Schaeffler, phù hợp ngành đường sắt, hàng hải và công nghiệp nặng.
SKU: HYDNUT-HEAVY114.840.000₫-776.725.000₫☆☆☆☆☆Đã bán: 0Hết hàng
Sản phẩm tương tự
-
Cắt đai ốc
Dụng cụ cắt đai ốc ELORA 310 bằng cơ khí, bulong từ M6-M24
Sản xuất tại Đức, với vật liệu thép xử lý nhiệt, mạ kẽm chống gỉ. Lưỡi cắt sắc bén. Có bốn biến thể, phù hợp với các kích thước đai ốc khác nhau. Không dùng với máy xiết ốc để tránh hỏng ren. Chính hãng ELORA.
SKU: 310-2.900.000₫-4.700.000₫☆☆☆☆☆Đã bán: 29Còn hàng -
Phụ kiện thủy lực
Bộ khớp nối nhanh BETEX CP210, cho chân đồng hồ thủy lực
Gồm CP 211 (đầu cái) và CP 212 (đầu đực), ren ¼” NPT, dùng cho chân đồng hồ áp suất trong hệ thống thủy lực. Chịu áp suất 700 bar, có cơ chế chống rò rỉ, tháo lắp nhanh và an toàn, phù hợp giám sát và bảo trì thiết bị thủy lực.
SKU: CP2101.200.000₫☆☆☆☆☆Đã bán: 14Hết hàng -
Phụ kiện thủy lực
Ống thủy lực BETEX HFHS, lưu lượng cao, bọc cao su, NPT 3/8″
Vỏ cao su đen, chịu áp suất 700 bar, có hai lớp lưới thép bện gia cường. Chiều dài 600–6000 mm, hai đầu gắn lò xo chống gập. Kết nối 3/8″ NPT, đảm bảo an toàn, linh hoạt và phù hợp dùng với bơm, xy lanh, đai ốc thủy lực trong công nghiệp nặng.
SKU: HFHS2.070.000₫-12.450.000₫☆☆☆☆☆Đã bán: 0Hết hàng









There are no reviews yet.